Steel Detailing – Connection details
Author: Mirko Štrbac | Civil Engineer | NS Drafter
Steel Detailing
This article will go through some connection details for the Steel Detailing project of a Bank building, which we worked on using Advance Steel software.
Connection Detail no.1
Here we can see a detail of the support of the lattice girder GN1c on column S3.
Also, the pictures show the details of the connection between the column and the facade girders, as well as the connection between the lattice girder and the rafters.


Connection Detail no.2
These pictures show a detail of the support of the pillar S19 on the anchor plate, developed in Advance Steel.
The 6mm thick anchor plate, together with the anchors, is placed on the foundation beam in the concreting phase, while the 10mm thick plate, together with the reinforcement ribs, is welded in the workshop for the pillar itself. Thus welded, they form an assembly of pillars and are transported to the construction site where they are placed on an anchor plate.
The assembly consists of three profiles 120x120x4 welded to a plate 10 mm thick and interconnected by horizontally placed profiles in the specific example. The “U” profiles seen in the figure are the façade beams, and they do not form a column assembly, and the “L” profiles to which the façade beams are attached are welded in a pillar workshop and form a column assembly.


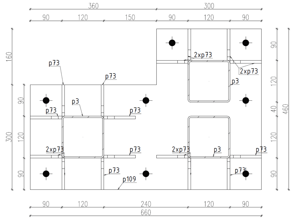
Connection Detail no.3
The first image shows all the elements that make up the GN2a assembly. In addition to the lattice, which is the supporting element, the assembly consists of all the elements by which the support is connected to other elements of the structure.
The second image shows one of those connections of the lattice girder with the pillars.
In the third image, we can see how the grid elements are cut around the plate, which will be welded to them. In the last one, we see one of the details of the lattice girder.



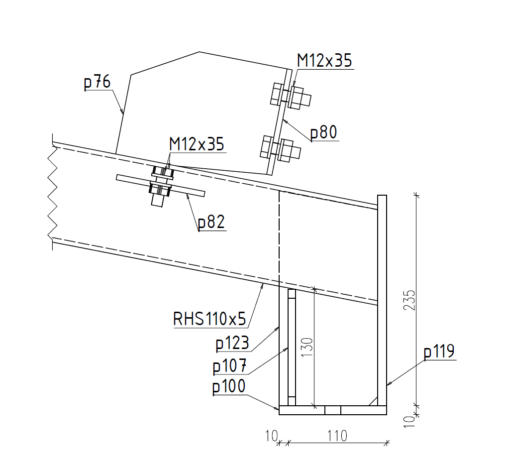
Connection Detail no.4
In the first picture, we can see the detail of the support of the main girder GN6 (110x110x5) and the pillar S9 (80x80x4), developed in Advance Steel.
The detail shown in the picture on the lower left is made of welded plates, and together with the 110x110x5 profile makes up the GN6 assembly. The assembly rests over this element and connects to the element, which is made of two plates welded in the workshop. Together with profile 80x80x4, they form the assembly of the pillar S9.



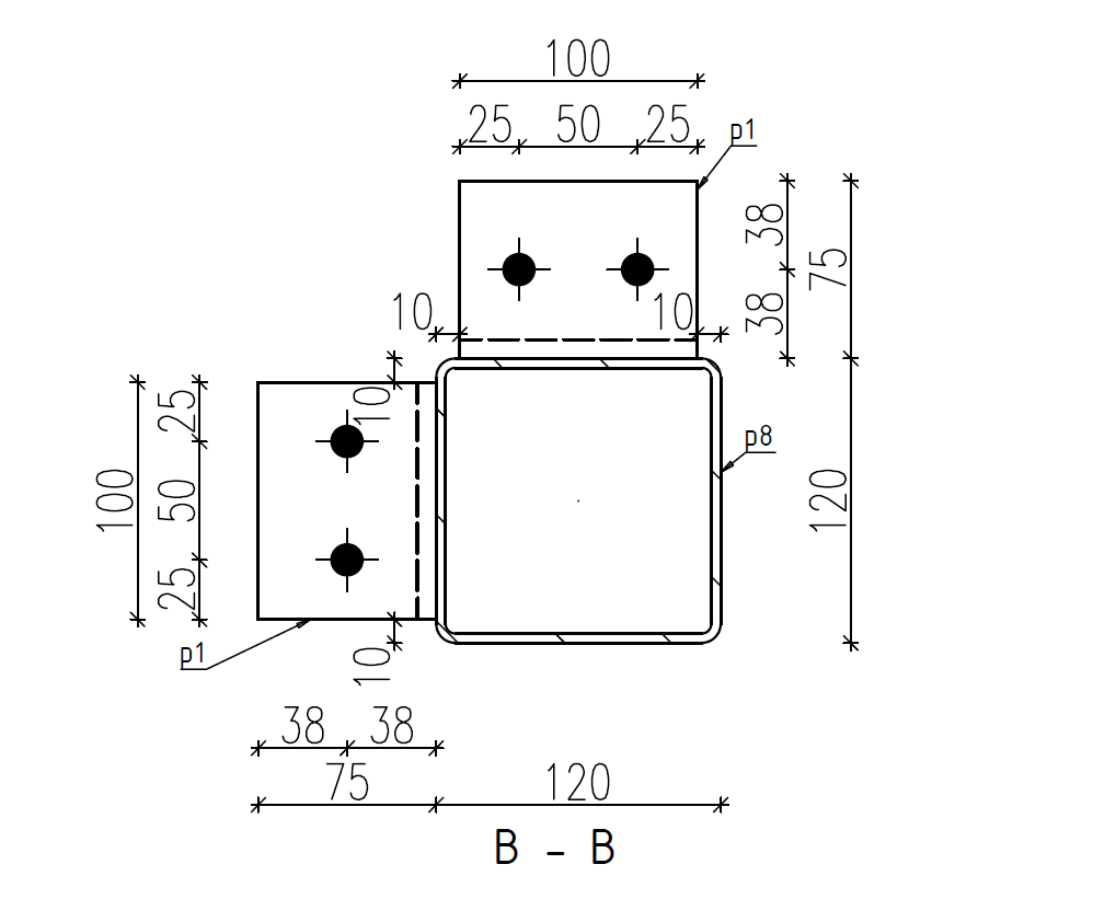
Connection Detail no.5
Here we can see the detail of the connection of the column with the facade girders.
The connection is made using screws of the facade support element and the L profile, which is welded to the column. The L profile is welded to the column in the workshop, and together with the plate and stiffening ribs, forms the column assembly.
The first image shows another type of connection between the facade beam and the column. In this case, the facade beam is a box profile on which two plates are welded. The first one closes the cross-section of the profile, and the second is placed and drilled. That way, the connection with the other two profiles, which are welded to the column, is made using screws.



Connection Detail no.6
Here we can see all the elements that make up the column assembly S9. In addition to the 80x80x4 profile, which is a bearing element, the assembly consists of all the elements by which the column is connected to the structure’s other elements.

Advance Steel in Steel Detailing projects
Advance Steel gives a large library of intelligent parametric structural elements, steel connections, and automatic tools for miscellaneous steelwork. Structural engineers and detailers can also use a bidirectional link between Advance Steel detailing software and Revit to collaborate on the same 3D model, saving time and minimizing errors.
